supercat
|
| posted on 24/5/07 at 01:32 PM |
|
|
Plumbing - T pieces
Hello, Anyone know where I can pick up a 32mm / 16mm / 32mm T piece for plumbing my polo rad to my pinto?
Ta, James
|
|
|
|
|
nib1980
|
| posted on 24/5/07 at 01:33 PM |
|
|
Try phoning car builder solutions they can make most things at a reasonable price
|
|
|
PeterW
|
| posted on 24/5/07 at 01:36 PM |
|
|
You'll get either 28/28/15 or 35/35/15 in solder ring, which will give you a beaded edge to stop the pipe slipping off
CHeers
Pete
|
|
|
flak monkey
|
| posted on 24/5/07 at 01:38 PM |
|
|
How are you plumbing it in?
I did this, and only needed one t-piece for the breather hoses. Available from a motorfactors for about a quid.
Sera
http://www.motosera.com
|
|
|
cadebytiger
|
| posted on 24/5/07 at 01:41 PM |
|
|
if i am going polo then i will also need one of these Ts
just simpler than changing all the plumbing
|
|
|
supercat
|
| posted on 24/5/07 at 01:48 PM |
|
|
quote: Originally posted by flak monkey
How are you plumbing it in?
I did this, and only needed one t-piece for the breather hoses. Available from a motorfactors for about a quid.
Like this...
  Description
Might have to visit the local plumbing shop....
James
|
|
|
jacko
|
| posted on 24/5/07 at 01:59 PM |
|
|
That's a lot of pipe work
block the rad overflow off
block the small pipe on the thermostat off
pipe out of the head to top of header tank out bottom of tank to water pump .
if you block the head how do you get the air out ?
+ 2 big pipes going to the rad
this is how mine is
Jacko
PS i used the header tank with the auto air in air out top of a ford sierra
[Edited on 24/5/07 by jacko]
|
|
|
supercat
|
| posted on 24/5/07 at 03:23 PM |
|
|
sorry made my drawing a bit clearer
  Description
I agree about not blocking off the outlet to the head, surely you need this to circutlate water around the engine when the thermostat is closed?
James
|
|
|
supercat
|
| posted on 24/5/07 at 03:30 PM |
|
|
Won't that pump air from the top of the header tank into the head???
|
|
|
indykid
|
| posted on 24/5/07 at 04:42 PM |
|
|
if you're happy with copper, i have what you need surplus after i put the bike carb manifold on.
it's a 28/15/28 solder ring T, but the solder rings make it near on perfect for 32mm rad hose and 16mm heater hose.
think the t on it's own was originally about £11, but you can have it for £7.50 posted if you're interested.
the 15mm outlet has a bit of extra pipe to get the heater hose to where i needed it, but it's easy enough to change.
i'll see if i can find a pic if you're intersted
tom
|
|
|
Testingone
|
| posted on 24/5/07 at 05:14 PM |
|
|
Hi, i needed exactly the same thing.If you happen to have a demon tweeks catologue-look at page 257.item 11 which is available in 5 sizes and item 12
which is available in 4 sizes.Its an expensive way to do it, but is available in your sizes and is a proper hose adaptor to do the job.Hope this
helps,Paul.
|
|
|
jacko
|
| posted on 24/5/07 at 07:34 PM |
|
|
quote: Originally posted by supercat
Won't that pump air from the top of the header tank into the head???
NO the water comes out the head to the top of the tank out the bottom of tank to water pump
mine has been like this for 3+ years with no problems
Graham
|
|
|
supercat
|
| posted on 25/5/07 at 09:42 AM |
|
|
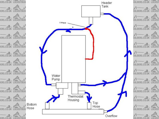
Ok, can I do this:
  Description
and use a 16mm t-piece, makes the plumbing a lot neater.. using a t between pump/head/tank.
James
|
|
|
flak monkey
|
| posted on 25/5/07 at 09:43 AM |
|
|
Why not just block the head pipe off?
A lot of people do it with no major problems.
It was there on the original carb set up because the manifold was heated to improve fuel efficiency.
[Edited on 25/5/07 by flak monkey]
Sera
http://www.motosera.com
|
|
|
supercat
|
| posted on 25/5/07 at 09:59 AM |
|
|
To be honest I didn't realise this was an option, but if its safe then ok. Just a bit nervous as my car is run on the track so cooling has to be
good
James
|
|
|
jacko
|
| posted on 25/5/07 at 12:35 PM |
|
|
quote: Originally posted by supercat
Ok, can I do this:
  Description
and use a 16mm t-piece, makes the plumbing a lot neater.. using a t between pump/head/tank.
James
Yes that will be ok
Jacko
|
|
|