nib1980
|
posted on 9/5/08 at 06:01 PM |
|
|
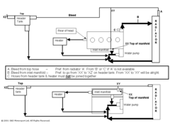
As everyone else is havnmg cooling problems. MY XFLOW COOLING
Hi all,
My xflow keeps dropping its coolant, the frist three nice days of summer, and the car has done it everytime.
Facts,
I have a 1.3 Xflow,
Escort radiator
Stuart taylor chassis and nose cone
Normal running temp is about 98 which seems very high to me.
If I can stay on the move all the time it's usually OK, but he minute i lift off and slow down heat soak kicks in and raises the temp, that the
fan and driving can't shift.
I checked the fan is working, both on the switch and my overide switch in the cabin.
Iv'e checked the water pump is working it is.
I've tried shrouding the radiator to direct airflow (see pic)
I have a high idle of 1300 rpm, i think caused by wrong jets in the dcoes and timing out.
I checked the thermostat is working it is, but I took it out anyway to see if it helped, all it did was delay the warm up time of the engine
My cooling circuit is shown below, along with a couple of piccys of the engine bay.
PLEASE HELP ITS SUMMER AND I WANT TO DRIVE THE DAM CAR!!!!!
  cOOLING2
  cOOLING
|
|
|
|
|
BenB
|
| posted on 9/5/08 at 06:08 PM |
|
|
Your coolant flow is going to be rather restricted. Would it be better to have the tube from the water pump to the "carb outlet" being
straight and the line to the header tank coming off at an angle. It appears all the coolant wanging round your coolant system suddenly has to do a 90
degree bend......
|
|
|
nib1980
|
| posted on 9/5/08 at 06:13 PM |
|
|
quote: Originally posted by BenB
Your coolant flow is going to be rather restricted. Would it be better to have the tube from the water pump to the "carb outlet" being
straight and the line to the header tank coming off at an angle. It appears all the coolant wanging round your coolant system suddenly has to do a 90
degree bend......
hmm interesting, it's always the header tank that blows first and I have the same pressure cap on the radiator, I's one this I can add to
the list to try.
Any other ideas?
|
|
|
r1_pete
|
| posted on 9/5/08 at 06:14 PM |
|
|
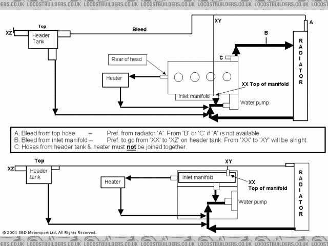
My Theory:
You have 3 pressure release caps, only 1 is needed, and that should be at the highest point on the system in your case on the expansion tank. I fear
what is happing is the two lower caps are opening, and instead of your coolant level reaching its natural level, it is dropping too low.
The expansion tank is just that, for allowing coolant to expand as it heats up and keep the jacket and rad full, by venting through the release cap as
it cools the tank fills with air and the coolant settles at its level, your jacket and rad are also venting creating air locks.
|
|
|
paulf
|
| posted on 9/5/08 at 06:25 PM |
|
|
My crossflow was plumbed in almost the same way but I also put a return from the thermostat housing which is the highest point back to the header tank
to vent any air back to it. Also worth remembering that you boiled it up a while ago so the head could be warped.
Paul.
|
|
|
TOO BADD
|
| posted on 9/5/08 at 06:27 PM |
|
|
Are'nt you missing a pipe return to your expansion tank ?
  Rescued attachment 20L_Cooling_system.gif
|
|
|
nib1980
|
| posted on 9/5/08 at 06:51 PM |
|
|
quote: Originally posted by paulf
My crossflow was plumbed in almost the same way but I also put a return from the thermostat housing which is the highest point back to the header tank
to vent any air back to it. Also worth remembering that you boiled it up a while ago so the head could be warped.
Paul.
Hmmm,, yes thats whats bothering me. but no sign of oil in the coolant or vice versa.
Will try the Hose return idea 2moro
did you plumb it back into the top or botto hose?
.
[Edited on 9/5/08 by nib1980]
|
|
|
stevebubs
|
| posted on 9/5/08 at 06:54 PM |
|
|
quote: Originally posted by BenB
Your coolant flow is going to be rather restricted. Would it be better to have the tube from the water pump to the "carb outlet" being
straight and the line to the header tank coming off at an angle. It appears all the coolant wanging round your coolant system suddenly has to do a 90
degree bend......
GaryM had exactly the same problem on his xflow...and this cured it.
|
|
|
stevebubs
|
| posted on 9/5/08 at 06:56 PM |
|
|
Oh...and that "overflow" pipe is going to be a big issue as the system won't pressurise.
Needs to be plumbed into the highest point in the system
|
|
|
stevebubs
|
| posted on 9/5/08 at 06:57 PM |
|
|
PS Once you've got the plumbing sorted, you're onto timing & carb setup to get the idle lower.
Would suggest you start by loosening the dizzy and moving it a few mm in each direction.
Do you have a timing light?
|
|
|
nib1980
|
| posted on 9/5/08 at 07:03 PM |
|
|
quote: Originally posted by stevebubs
PS Once you've got the plumbing sorted, you're onto timing & carb setup to get the idle lower.
Would suggest you start by loosening the dizzy and moving it a few mm in each direction.
Do you have a timing light?
No dizzy, it's megajolt
but having trouble connecting laptop
.
|
|
|
rusty nuts
|
| posted on 9/5/08 at 07:30 PM |
|
|
Fit a pipe from the thermostat housing to the header tank to bleed the air from the highest point as already suggested . The high idle could be
because the timing is too far advanced which could cause overheating.Might be worth getting the head gasket tested using a block tester kit if nothing
else at least it eliminates another possible cause. I have a similar setup but with a heater and suffer no problems. Water Wetter will drop the
coolant temperature although it is not a cure
|
|
|
paulf
|
| posted on 9/5/08 at 07:30 PM |
|
|
Neil
Im working at the weekend but your welcome to call round some time and we can sort the comms issue with megajolt but its not really likely to be far
enough out to cause overheating.
Paul.
quote: Originally posted by nib1980
quote: Originally posted by stevebubs
PS Once you've got the plumbing sorted, you're onto timing & carb setup to get the idle lower.
Would suggest you start by loosening the dizzy and moving it a few mm in each direction.
Do you have a timing light?
No dizzy, it's megajolt
but having trouble connecting laptop
.
|
|
|
nib1980
|
| posted on 9/5/08 at 07:46 PM |
|
|
quote: Originally posted by paulf
Neil
Im working at the weekend but your welcome to call round some time and we can sort the comms issue with megajolt but its not really likely to be far
enough out to cause overheating.
Paul.
quote: Originally posted by nib1980
Cheers paul, Im away all week but i'll be in touch later. many thanks
Neil
quote: Originally posted by stevebubs
PS Once you've got the plumbing sorted, you're onto timing & carb setup to get the idle lower.
Would suggest you start by loosening the dizzy and moving it a few mm in each direction.
Do you have a timing light?
No dizzy, it's megajolt
but having trouble connecting laptop
.
|
|
|
Bigheppy
|
| posted on 9/5/08 at 08:08 PM |
|
|
After looking at your pics where is your expansion tank connected to the system? You appear to have a blanked connection on top of the thermostat
housing, perhaps you are getting an air lock in this area, which would restrict the flow through the radiator, I think that if your expansion bottle
is above the thermostat it might help the problem if the expansion bottle was connected to the blanked off pipe, this would allow any air to vent.
Just my two pennoth 
|
|
|
nib1980
|
| posted on 9/5/08 at 08:16 PM |
|
|
quote: Originally posted by Bigheppy
After looking at your pics where is your expansion tank connected to the system? You appear to have a blanked connection on top of the thermostat
housing, perhaps you are getting an air lock in this area, which would restrict the flow through the radiator, I think that if your expansion bottle
is above the thermostat it might help the problem if the expansion bottle was connected to the blanked off pipe, this would allow any air to vent.
Just my two pennoth
I agree, do i connect it to the top or bottom of my expansion tank? It has apressure cap?
|
|
|
Bigheppy
|
| posted on 9/5/08 at 08:47 PM |
|
|
I would disconnect the tee where the expansion bottle currently connects and connect the pipes. Then connect the pipe from the thermostat housing to
the bottom of the expansion bottle, make sure that the pipe rises all the way to the expansion connection. After all the problems you have its worth a
try, just remember always make it easy for air to vent from the system, if it can collect it will restrict the flow within the syatem and cause
overheating.
Hope this helps
[Edited on 9/5/08 by Bigheppy]
|
|
|
Ratters
|
| posted on 9/5/08 at 09:38 PM |
|
|
try removing the T piece & connecting the small water pump pipe to the inlet pipe. that's how it would be on a x-flow in a ford - they never
had an expansion tank.
|
|
|
britishtrident
|
| posted on 10/5/08 at 08:49 AM |
|
|
Pretty much as everybody else has said
3 -- pressure caps are not a good idea --- likely to cause air locking -- air is drawn back in via the pressure caps when the engine cools.
Remove the Tee piece at the back of the engine and join the two hoses.
Connect bottom of the header tank to the top the thermostat housing.
Fit a lower temperature thermostat I suspect your engine has an 88c or 91c stat.
These are Rimmer Bros part numbers for the Triumph Spitfire thermostats -- exactly same thermostat as the XFlo
Standard 82°C - (1) - GTS104
Hot Climate (summer) 74°C - (1) - GTS102
Cold Climate (winter) 88°C - (1) - GTS106
If you drill a couple of 3 mm holes i the thermostat it also helps the air to bleed from the system and allows the thermostat to open more quickly.
Also check you have enough ignition advance -- retarded ignition timing will cause boiling.
|
|
|
x_flow57
|
| posted on 10/5/08 at 09:34 AM |
|
|
quote: Originally posted by britishtrident
Pretty much as everybody else has said
3 -- pressure caps are not a good idea --- likely to cause air locking -- air is drawn back in via the pressure caps when the engine cools.
Remove the Tee piece at the back of the engine and join the two hoses.
Connect bottom of the header tank to the top the thermostat housing.
Fit a lower temperature thermostat I suspect your engine has an 88c or 91c stat.
Also check you have enough ignition advance -- retarded ignition timing will cause boiling.
Totally agree with BT. This is how my Locost race car was plumbed and I never had any overheating or water loss problems.
I usually ran it almost up to temperature with the header cap removed after refilling to remove any air.
Nick
<<<<< For Sale
|
|
|