NS Dev
|
| posted on 13/10/10 at 09:28 AM |
|
|
Anybody got a drawing/dimensions of a cortina upright?
anybody measured one up and got the dims? Trying to save meself some time!
cheers
Nat
Retro RWD is the way forward...........automotive fabrication, car restoration, sheetmetal work, engine conversion
retro car restoration and tuning
|
|
|
|
|
v8kid
|
| posted on 13/10/10 at 09:33 AM |
|
|
Yup whats your email?
You'd be surprised how quickly the sales people at B&Q try and assist you after ignoring you for the past 15 minutes when you try and start a
chainsaw
|
|
|
balidey
|
| posted on 13/10/10 at 09:36 AM |
|
|
Pretty sure Flak has them on his site...
http://gtslocost.locostsites.co.uk/cad.htm
Dutch bears have terrible skin due to their clogged paws
|
|
|
v8kid
|
| posted on 13/10/10 at 09:39 AM |
|
|
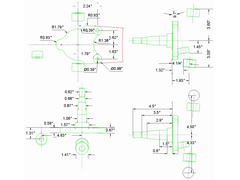
  Description
You'd be surprised how quickly the sales people at B&Q try and assist you after ignoring you for the past 15 minutes when you try and start a
chainsaw
|
|
|
v8kid
|
| posted on 13/10/10 at 09:43 AM |
|
|
  Description
You'd be surprised how quickly the sales people at B&Q try and assist you after ignoring you for the past 15 minutes when you try and start a
chainsaw
|
|
|
NS Dev
|
| posted on 13/10/10 at 09:56 AM |
|
|
thanks V8kid!
u2u sent!
Retro RWD is the way forward...........automotive fabrication, car restoration, sheetmetal work, engine conversion
retro car restoration and tuning
|
|
|