stressy
|
| posted on 5/10/04 at 03:38 PM |
|
|
Upright Geometry
Knowing there are people out there playing with elaborate computer models for suspension hopefully this is a simple request.
Can somebody supply with basic governing geometry for a cortina upright in terms of upper and lower ball joint centres, track control link centre etc
with repspect the wheel bolting surface and centreline for example so i can pop it on the old drawing board.
Any info will be appreciated as it means i dont need to pull one off the car!
Cheers
WHO DARES SPINS
|
|
|
|
|
blueshift
|
| posted on 5/10/04 at 03:45 PM |
|
|
Yup! Darren sent me a lovely PDF with all the dimensions on it. u2u me your email address and I'll pass it on.
Also, I'm making a solidworks model of the cortina upright based on the PDF. let me know if you want a copy of that, too.
Actually, gotcha: it's only the dimensions for the cast upright, so not the hub or balljoints.
[Edited on 5/10/04 by blueshift]
|
|
|
stephen_gusterson
|
| posted on 5/10/04 at 03:54 PM |
|
|
does it have the roll centre defined tho?

atb
steve
|
|
|
pbura
|
| posted on 5/10/04 at 03:55 PM |
|
|
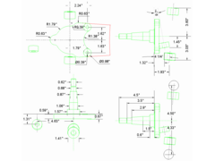
This is the best I've seen:
  Rescued attachment Image156.gif
Pete
|
|
|
pbura
|
| posted on 5/10/04 at 04:16 PM |
|
|
Just noticed that the drawing I posted lacks lateral locations of ball joints
For suspension modeling, I've been using upright geometry I got second-hand. Haven't cared too much because it's been for
illustrative purposes only.
If the info from Blueshift doesn't answer your questions, I can locate the Locost NA post I got my info from. Pretty sure it didn't have
TRE location, though.
Pete
Pete
|
|
|
stressy
|
| posted on 5/10/04 at 05:47 PM |
|
|
cheers guys hopefully that gets me what i want for a first pass.
Steve, i believe roll centres are an optional extra
its only the upright geometry im intersted in...
WHO DARES SPINS
|
|
|
blueshift
|
| posted on 5/10/04 at 06:54 PM |
|
|
This should fill in the missing dimensions:
http://leetfighter.com/~jon/cortina-upright.pdf
(thanks to Darren of GTS Tuning for that PDF)
Still working on the solidworks model, anyone give me a shout if they want it.
|
|
|
stressy
|
| posted on 6/10/04 at 06:41 AM |
|
|
Cheers blue, that should answer most of it
WHO DARES SPINS
|
|
|