r1_pete
|
| posted on 10/4/21 at 05:03 PM |
|
|
LED oil pressure light dim glow with engine running.
Has anyone had a led oil light glow when the engine is running?
Light goes from bright to dim glow as soon as engine starts and the gauge reads a healthy tickover 60 psi dropping to 45 when hot.
The switch is new, it still glows when I disconnect the switch.
All the wiring is new, and there are no connections between the LED and the pressure switch.
I'm wondering if these is just enough 'capacitance' between the wire and steel bodywork to produce enough voltage to light the
LED...
|
|
|
|
|
02GF74
|
| posted on 10/4/21 at 05:25 PM |
|
|
quote: Originally posted by r1_pete
I'm wondering if these is just enough 'capacitance' between the wire and steel bodywork to produce enough voltage to light the
LED...
No.
Post a wiring diagram of led light, switch, gauge and power.
|
|
|
steve m
|
| posted on 10/4/21 at 05:57 PM |
|
|
If you put a normal bulb in its place what happens ?
Thats was probably spelt wrong, or had some grammer, that the "grammer police have to have a moan at
 
|
|
|
r1_pete
|
| posted on 10/4/21 at 06:10 PM |
|
|
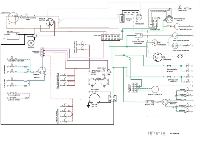
Here's the diagram, oil light is a the top simple switched live led pressure switch
 
I'll give the filament bulb a try....
|
|
|
mangogrooveworkshop
|
| posted on 10/4/21 at 06:21 PM |
|
|
Theres enough leakage of electrikerys to make the led glow
resistors are the answer
|
|
|
r1_pete
|
| posted on 10/4/21 at 07:02 PM |
|
|
quote: Originally posted by mangogrooveworkshop
Theres enough leakage of electrikerys to make the led glow
resistors are the answer
Yes thats what I though,
Another twist...
Ignition on, engine not running, light completely out if I disconnect the pressure switch, fire the engine up and the light glows switch still
disconnected, so its only happening on charge voltage, 14.2v....
|
|
|
02GF74
|
| posted on 10/4/21 at 09:39 PM |
|
|
^^^^I don't buy any of that and will post more details once I'm able to decipher the diagram (it's a bit hard to read).
In short, a LED needs current flowing through it in the correct direction for it to light up and for that to happen it must be in a completed circuit.
Disconnecting the LED light from the switch or when engine is running (the switch has a diaphragm inside that is pushed by the oil to open a switch)
breaks the circuit therefore no current, leakage or any other type, can flow through the LED.
Q1. Is the oil pressure gauge mechanical one or electrical?
Q2. If gauge is electrical, is the sender a separate unit to the oil pressure switch?
[Edited on 10/4/21 by 02GF74]
|
|
|
02GF74
|
| posted on 11/4/21 at 06:42 AM |
|
|
Below is the circuit for the oil pressure light,
Inside the oil pressure switch is a pair of contacts that touch each other when there is no oil pressure and a diaphragm that moves when oil exerts
pressure on it. One of the contacts is fixed and connects to the body of the switch (although a quick google shows that switches are avaialle with
2 contacts - how many does yours have?) - the other is attached to the diaphragm and is insluated from the switch's body - when the
diaphragm moves it is pushes away from the other contact so the circuit is broken.
A filament bulb or a LED bulb, which would have a voltage dropping resistor is wired in series between ignitioan live and the switch, the cbody of the
switch is earthed via the engine block. When ignition is turned on, power is supplied and because the contacts areclosed, the bulb lights up.
Once oil pressure pushes the contacts apart, there is no way any current can leap across the contacts so the bulb is off.
Now remember the oil pump has a series of lobes so the oil pressue comes in pulses (just like yer heart) so it may be possible that these pulses are
so weak to be able to just open the contacts so there circuit is completed then broken again so in effect the lamp is flashing but so fast you cannot
see it and it appears dim.
You state that the bulb glows up when it is disconnected from the switch and engine is running; this would be at the bulb at the point marked by the
green X right?, the only way it could light up is if the laws of physics no longer apply in the area you live in or the bulb is not wired as below.
I'm not a betting person but I would put my money on the latter.
So check the circuit again - is the positive end of the bulb connected only to the igniton live and no other point? Connect it directly to the battery
to test.
Is the bulb holder earthed? It should not be but only be connected to the insulated contact on the switch.
|
|
|
gremlin1234
|
| posted on 11/4/21 at 11:11 AM |
|
|
it is quite common for mains led's to glow even when off, due to capacitance from adjoining conductors.
but not with 12v dc
however, is the wire routed near the alternator or coilpacks? this /could/ induce a tiny voltage in the unterminated wire. - think of it like an
aerial on a crystal set.
on solution might be to connect a high value resister across the switch. (thinking about it, that would just make matters worse!)
another would be to use a screened lead.
or maybe just re-routing the cable could do it.
[Edited on 11/4/21 by gremlin1234]
|
|
|
r1_pete
|
| posted on 11/4/21 at 11:37 AM |
|
|
Cheers all, I can assure you what I described is exactly what was happening.
The pressure gauge is capillary, the switch runs off a tee piece.
I tried the circuit with a filament bulb, and it works perfectly.
Tried the LED connected both ways, and the same dim glow happens.
To keep things simple I've cut the visible part of the LED unit off and machined up a housing to take the filament bulb.
I'm OK with electrics and electronics, but this was just odd, I can only conclude there was enough leakage when the voltage was above 13v to
cause the led to glow, I can slow the tickover so the alternator stops charging and at that point the LED stayed out, once the voltage rose above 13
it glowed.
Its a weird one, and had me stumped....
Thanks again for all your help & input.
|
|
|
gremlin1234
|
| posted on 11/4/21 at 12:11 PM |
|
|
since it was lighting both ways round, that indicates an ac current. makes pickup from the alternator when it is charging even more likely.
|
|
|
r1_pete
|
| posted on 11/4/21 at 12:48 PM |
|
|
quote: Originally posted by gremlin1234
since it was lighting both ways round, that indicates an ac current. makes pickup from the alternator when it is charging even more likely.
Very likely as the pressure switch wire runs in the same loom as the main electrical feed wires, maybe there was enough leakage or eddys at 13v plus,
to creat a pd and cause the glow
|
|
|