mcg
|
| posted on 13/10/09 at 01:14 PM |
|
|
Cortina Uprights - But which ones?
Hi - I'm new to the forum and am hoping for a bit of advice - first of many requests I am sure!
I am building a Formula 27 (Pre Image Sports Cars construction), and wanted to confirm if my cortina front uprights (see pic) are compatible with some
Mk3 Cortina hubs that I have found online. Build manual says that the front uprights should be Mk 3,4 or 5 so I am assuming that they are although it
would be great to get some confirmation before I take the plunge. I have read that pre Mk 2 hubs are not compatible with Mk 3 onwards uprights. On the
rear of the upright, the number reads 940 (I think!)
Many thanks
Matt
  Rescued attachment Cortina-Uprights.jpg
|
|
|
|
|
blakep82
|
| posted on 13/10/09 at 01:17 PM |
|
|
i think mk3/4/5 uprights were all the same
________________________
IVA manual link http://www.businesslink.gov.uk/bdotg/action/detail?type=RESOURCES&itemId=1081997083
don't write OT on a new thread title, you're creating the topic, everything you write is very much ON topic!
|
|
|
Mr Whippy
|
| posted on 13/10/09 at 01:18 PM |
|
|
I very recently spent several hours scraping some MK 4 ones down with a screw driver those are exactly the same as mine
|
|
|
mcg
|
| posted on 13/10/09 at 01:18 PM |
|
|
Do you think that the ones pictured are 3/4/5, or do they look like earlier ones?
Thanks for the quick reply
|
|
|
Daddylonglegs
|
| posted on 13/10/09 at 01:20 PM |
|
|
quote: Originally posted by Mr Whippy
I very recently spent several hours scraping some MK 4 ones down with a screw driver ...
What you need sir is a 'Tool', if you'll pardon the expression
It looks like the Midget is winning at the moment......
|
|
|
mcg
|
| posted on 13/10/09 at 01:21 PM |
|
|
Wow! This is very quick service!!!
So the Mk 3 Hubs should fit no probs then?
|
|
|
Mr Whippy
|
| posted on 13/10/09 at 01:24 PM |
|
|
Besides the MKII has McPherson struts so that won’t be any use cos they'd be totally different
As above Mk 3-5 had the same upright design
quote: Originally posted by Daddylonglegs
quote: Originally posted by Mr Whippy
I very recently spent several hours scraping some MK 4 ones down with a screw driver ...
What you need sir is a 'Tool', if you'll pardon the expression
that would be very sore 
[Edited on 13/10/09 by Mr Whippy]
|
|
|
mcg
|
| posted on 13/10/09 at 01:36 PM |
|
|
Cracking!!! Thanks for the super fast advice - another "challenge" solved!
This forum is dangerous - Going to struggle to get any work done now that I know its here!
Thanks again
Matt
|
|
|
liam.mccaffrey
|
| posted on 13/10/09 at 02:06 PM |
|
|
I found the forum about 7 years?? ago and haven't even started my car
Build Blog
Build Photo Album
|
|
|
CNHSS1
|
| posted on 13/10/09 at 02:16 PM |
|
|
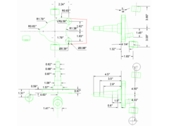
has anyone got a technical drawing of the cortina upright please?
|
|
|
Daddylonglegs
|
| posted on 13/10/09 at 03:07 PM |
|
|
I think this is correct:
  Cortina Upright
JB
It looks like the Midget is winning at the moment......
|
|
|
purdy
|
| posted on 13/10/09 at 03:08 PM |
|
|
this is the way farward.......click on the link
http://www.rallydesign.co.uk/product_info.php?products_id=11815
|
|
|
CNHSS1
|
| posted on 13/10/09 at 03:15 PM |
|
|
cheers guys, am looking at alloy hubs that have cortina geometry, so thats ideal
any lightweight rear hubs that accept sierra dirveshafts? formula ford or similar or a lightweight kit car version?
|
|
|
aitch
|
| posted on 8/12/09 at 12:55 AM |
|
|
http://www.rallydesign.co.uk/product_info.php?products_id=11815
^^^^^^^^^^^^^^^^^^^^^^^
perfect and a good price i dont need to look for cortina uprights now
all the others i have seen have been twice this price
aitch
|
|
|
40inches
|
| posted on 8/12/09 at 09:18 AM |
|
|
quote: Originally posted by aitch
http://www.rallydesign.co.uk/product_info.php?products_id=11815
^^^^^^^^^^^^^^^^^^^^^^^
perfect and a good price i dont need to look for cortina uprights now
all the others i have seen have been twice this price
aitch
These are reputably only suitable for a BEC, there have been failures. Read THIS
thread.
 
|
|
|
aitch
|
| posted on 9/12/09 at 01:17 PM |
|
|
Rally Designs uprights
just been on the phone for about half an hour with the owner of Rally Designs to check this out..
he assures me that in four years of producing these uprights that ARE based on the raceleader design they have supplied almost 300 pairs with
absolutely no returns or advice of failure
Although based on raceleader design they are made using an LM25 casting by a major component manufacturer with strict quality control which is heat
treated to avoid grain growth in the casting, this grain growth can be seen in the failed components,
although they specify a maximum vehicle weight of 700kg, this recommendation originally comes from the raceleader product and th rally designs are of
a higher quality, that he knows of they have been used in at least 1 front engined V8 successfully.
i am after speaking with him more than confident in the product. If however your not convinced then Rally Design have bought up Fords stock of cortina
uprights and they are selling them for i believe £90 a pair.
i wouldnt like to see anyones business damaged due another companies parts failing.
we will all make our own choice on this
Aitch
|
|
|