wombat
|
| posted on 4/5/13 at 06:37 PM |
|
|
Sierra column wiring identification
Has anyone got the wiring colours for a Sierra column, indicators and lighting. Searches found me various bits but need a colour code.
I know there a couple of different ones, but process of elimination should get me there.
Ta
|
|
|
|
|
steve8274
|
| posted on 4/5/13 at 08:28 PM |
|
|
http://www.locostbuilders.co.uk/viewthread.php?tid=160841
That's what I used. All worked in the end for me. I had wired few wires wrong
Hth
Steve
|
|
|
wombat
|
| posted on 5/5/13 at 07:31 AM |
|
|
Thx Steve that has got me another step forward.
Are there any wires for the hazard switch or is it part of the internal unit?
|
|
|
SteveWallace
|
| posted on 5/5/13 at 03:48 PM |
|
|
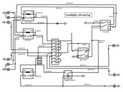
These are the wiring diagrams with colours for mine. The hazard part of the switch is on the right of the indicator switch schematic. I'm
using a Premier Loom but the Sierra wire colours are also shown:
  indicator wiring
  headlight tail and fog wiring
|
|
|