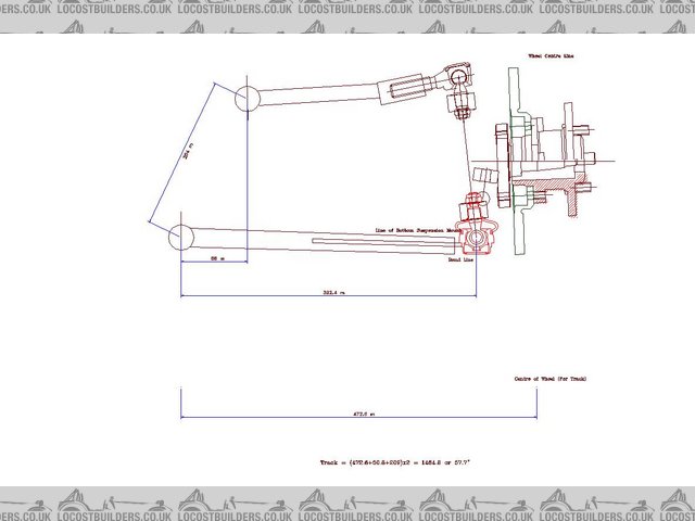
Wishbone Drawing

Forum Code:
External link: (Use this on other forums)


Wishbone Drawing

Tack Welding Base Frame.JPG
Image code: 23702

Part Finished Chassis.JPG
Comments:
Please log in to add a comment
Threads linked to this photo:
In thread 'Front Wishbones - Comments Please'


go to top






Website design and SEO by Studio Montage

All content © 2001-16 LocostBuilders. Reproduction prohibited
Opinions expressed in public posts are those of the author and do not necessarily represent
the views of other users or any member of the LocostBuilders team.
Running XMB 1.8 Partagium [© 2002 XMB Group] on Apache under CentOS Linux
Founded, built and operated by ChrisW.