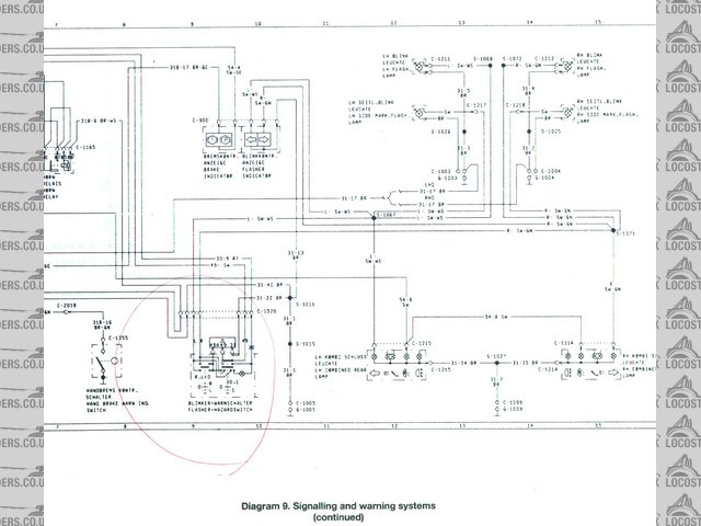
scan of haynes manual explaining 'indicators' sketch

Forum Code:
External link: (Use this on other forums)


scan of haynes manual explaining 'indicators' sketch

panorama.jpg
Image code: 512

dcp_3770.jpg
Comments:
Please log in to add a comment
Threads linked to this photo:
    None yet!


go to top






Website design and SEO by Studio Montage

All content © 2001-16 LocostBuilders. Reproduction prohibited
Opinions expressed in public posts are those of the author and do not necessarily represent
the views of other users or any member of the LocostBuilders team.
Running XMB 1.8 Partagium [© 2002 XMB Group] on Apache under CentOS Linux
Founded, built and operated by ChrisW.