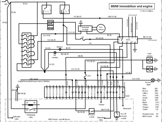
BMW wiring showing X20

Forum Code:
External link: (Use this on other forums)


BMW wiring showing X20

Engine bay electrics.jpg
Image code: 96836

Final BMW wiring connections.jpg
Comments:
Please log in to add a comment
Threads linked to this photo:
In thread 'Progress report BMW Viento Electrics' In thread 'Anyone running a BMW M3 S50B32 engine?'


go to top






Website design and SEO by Studio Montage

All content © 2001-16 LocostBuilders. Reproduction prohibited
Opinions expressed in public posts are those of the author and do not necessarily represent
the views of other users or any member of the LocostBuilders team.
Running XMB 1.8 Partagium [© 2002 XMB Group] on Apache under CentOS Linux
Founded, built and operated by ChrisW.