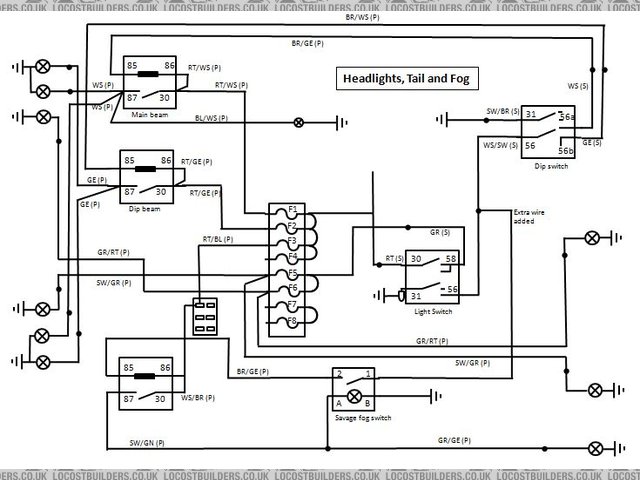
headlight tail and fog wiring

Forum Code:
External link: (Use this on other forums)


headlight tail and fog wiring

Indicator wiring 22 Nov 2012.JPG
Image code: 94938

top hose front view.jpg
Comments:
Please log in to add a comment
Threads linked to this photo:
In thread 'Premier loom to Sierra wiring diagram' In thread 'Sierra column wiring identification' In thread 'Wiring Diagram' In thread 'Headlight relays' In thread 'Sierra stalks and relays' In thread 'Wiring diagram-lights' In thread 'Wiring loom. Please help'


go to top






Website design and SEO by Studio Montage

All content © 2001-16 LocostBuilders. Reproduction prohibited
Opinions expressed in public posts are those of the author and do not necessarily represent
the views of other users or any member of the LocostBuilders team.
Running XMB 1.8 Partagium [© 2002 XMB Group] on Apache under CentOS Linux
Founded, built and operated by ChrisW.