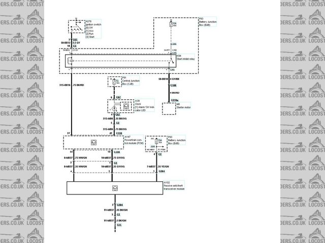
Puma 1.7 PATs wiring

Forum Code:
External link: (Use this on other forums)


Puma 1.7 PATs wiring

Fuel and air pipes.jpg
Image code: 86797

2gear2.jpg
Comments:
Please log in to add a comment
Threads linked to this photo:
In thread 'Sylva new build'


go to top






Website design and SEO by Studio Montage

All content © 2001-16 LocostBuilders. Reproduction prohibited
Opinions expressed in public posts are those of the author and do not necessarily represent
the views of other users or any member of the LocostBuilders team.
Running XMB 1.8 Partagium [© 2002 XMB Group] on Apache under CentOS Linux
Founded, built and operated by ChrisW.