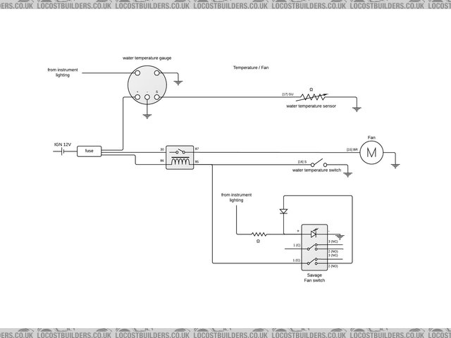
Temperature and Fan

Forum Code:
External link: (Use this on other forums)


Temperature and Fan

Starter and Alternator.jpg
Image code: 108394

The Brakes.jpg
Comments:
Please log in to add a comment
Threads linked to this photo:
In thread 'Second opinion on my wiring diagrams'


go to top






Website design and SEO by Studio Montage

All content © 2001-16 LocostBuilders. Reproduction prohibited
Opinions expressed in public posts are those of the author and do not necessarily represent
the views of other users or any member of the LocostBuilders team.
Running XMB 1.8 Partagium [© 2002 XMB Group] on Apache under CentOS Linux
Founded, built and operated by ChrisW.